ZCO-Verschraubungen mit stirnseitigem O-Ring

Die flachdichtenden Hy-Lok ZCO-Verschraubungen weisen bei der Montage oder Demontage keinen Versatz in axialer Richtung aus (Zero Clearance). Sie sind mit einem stirnseitigen O-Ring ausgestattet (faceseal) und für Vakuum- bis zu Hochdruckanwendungen bei hohen Temperaturen bis 280 °C (550 °F) konstruiert.

Sie sind einfach zu montieren und zu warten und bieten für Lecktests Bohrungen.

 

Körper, Stutzen, Muttern: Edelstahl 316
Stumpfschweiß-Fittings: Edelstahl 316L
O-Ring (Standard): Viton, Härte 70 Viton,
Härte 90 (SAE/MS-Gewinde)

 

Werkstoff Temperatur
Fluorkohlenstoff 400 °F (200 °C)
Buna N (BU) 250 °F (120 °C)
PTFE (PE) 450 °F (230 °C)
Perfluoroelastomer (KA) 550 °F (280 °C)
Ethylenpropylen (EP) 300 °F (140 °C)

ZCO-Verschraubungen

ZCOFN
Überwurfmutter, verbindet einen ZCO-Stutzen mit dem Körper
ZCOBN
Blindmutter, verschließt einen ZCO-Körper
ZCOSWG
Stutzen für Muffenschweißung
ZCOTWG
Stutzen für Automatik-Stumpfschweißung
ZCOSWRG
Reduzierstutzen für Muffenschweißung
ZCOBG
Blindstutzen
ZCOSWC
Körper mit Muffenschweißende,
Übergang von Rohrleitung auf ZCO-Stutzen
ZCOTWC
Körper mit Automatik-Stumpfschweißende,
Übergang von Rohrleitung auf ZCO-Stutzen
ZCOMC
Einschraubverbinder,
Übergang von NPT-Innengewinde auf ZCO-Stutzen
ZCOSC
Einschraubkörper mit SAE/MS-Gewinde,
Übergang von SAE/MS-Gewinde auf ZCO-Stutzen
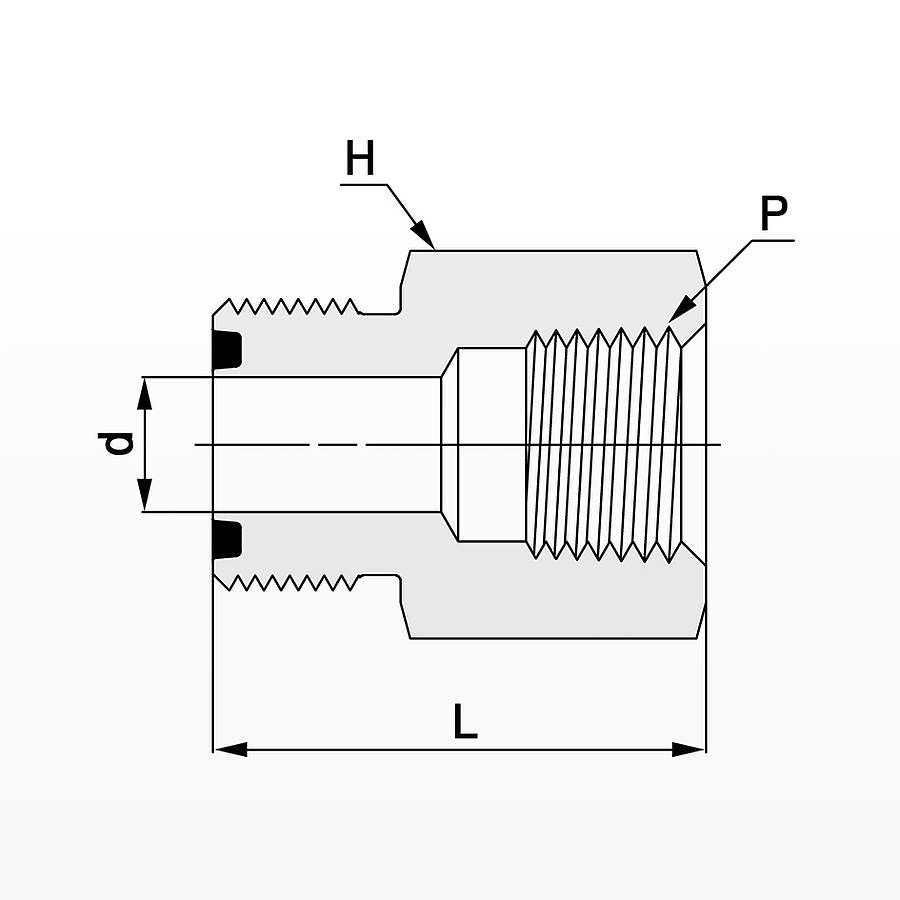
ZCOFC
Aufschraubkörper mit Innengewinde,
Übergang von NPT-Außengewinde auf ZCO-Stutzen
ZCOCC
Körper mit Hy-Lok Rohrverschraubung,
Übergang von Rohrleitung auf ZCO-Stutzen
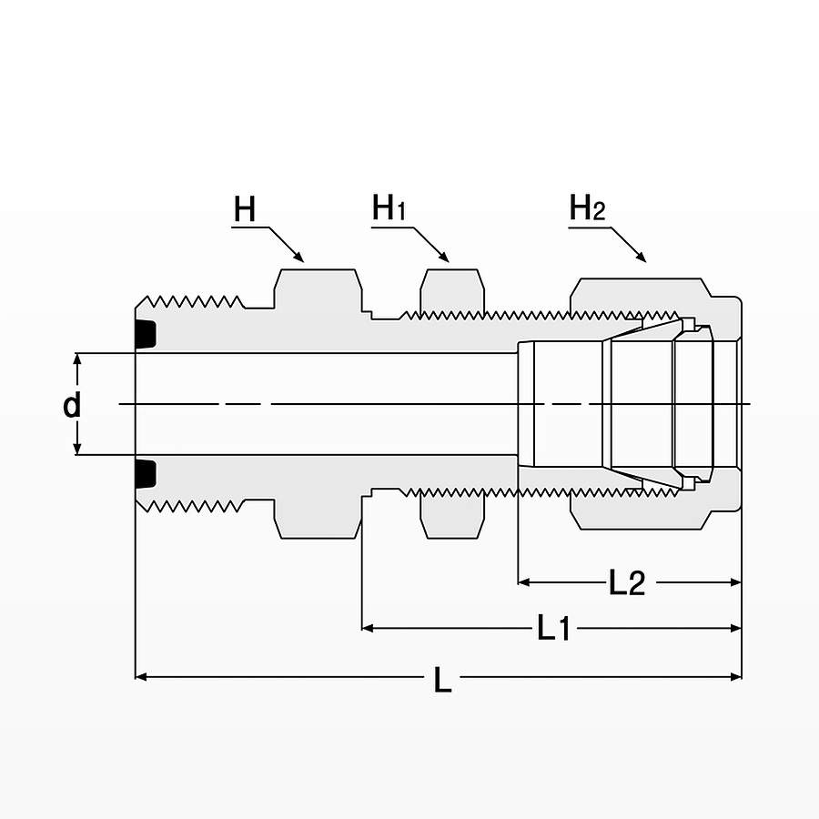
ZCOCBHC
Schottverbinder mit Hy-Lok Rohrverschraubung,
Übergang von Rohrleitung auf ZCO-Stutzen
ZCOUA
Verschraubungskörper, verbindet ZCO-Stutzen
ZCOBHU
Schottverschraubungskörper, verbindet ZCO-Stutzen
ZCOUR
Reduzierverschraubungskörper, verbindet ZCO-Stutzen
ZCOLM
Winkeleinschraubkörper,
Übergang von NPT-Innengewinde auf ZCO-Stutzen
ZCOSL
Richtungseinstellbarer Winkel mit SAE/ME-Gewinde,
Übergang vom zylindrischen SAE/MS-Gewinde auf ZCO-Stutzen
ZCOLA
Winkel, verbindet ZCO-Stutzen
ZCOTA
T-Stück, verbindet ZCO-Stutzen
ZCOP
Stopfen, verschließt einen ZCO-Stutzen und die Überwurfmutter
ZCOSMC
Einschraubverbinder,
Übergang von NPT-Innengewinde auf ZCO
ZCOSSC
Einschraubverbinder mit SAE/MS-Gewinde,
Übergang vom zylindrischen SAE/MS-Gewinde auf ZCO
ZCOSFC
Drehbarer Aufschraubverbinder,
Übergang von NPT-Außengewinde auf ZCO
ZCOSUA
Drehbarer Verschraubungskörper, verbindet ZCO-O-Ringe
Trapez Icon

ZCO-Baugruppen werden zu 100 % einer Dichtheitsprüfung mit Helium bei einer Durchflussrate von 4 x 10-9 Normkubikmeter/s unterzogen und weisen dabei keine Undichtheit auf.

Durch Absenden des Formulars stimmen Sie der Verarbeitung Ihrer Daten gemäß Datenschutzerklärung zu.